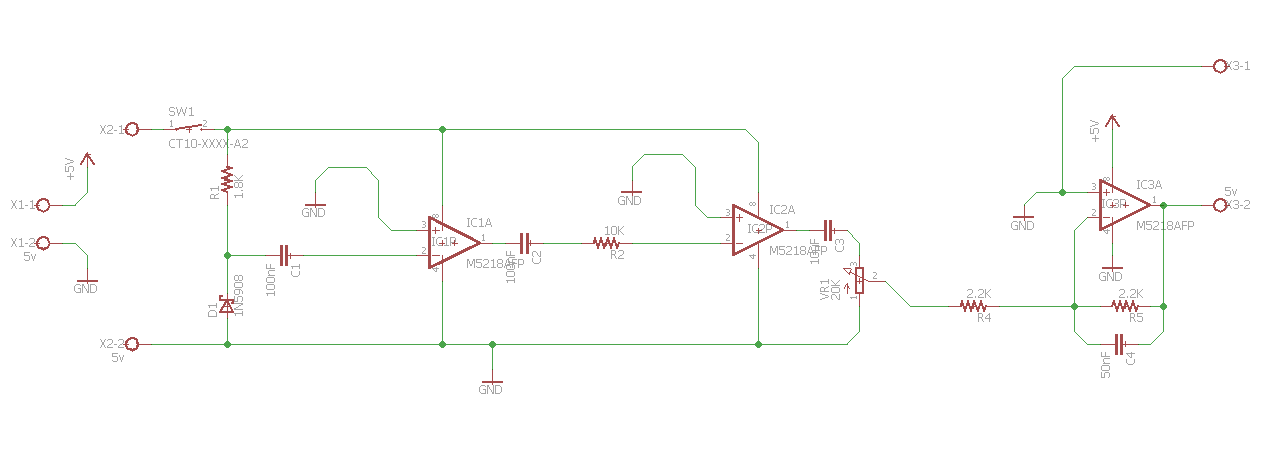
Os explico brevemente en qué consiste el circuito que estoy tratando de diseñar: se alimenta el circuito y mediante un interruptor dejamos pasar la corriente o no. El diodo zener genera ruido y se amplifica con los dos amplificadores operaciones IC1A y IC2A. Mediante una resistencia variable regulamos la señal de salida. Esta señal pasa por un filtro paso alto de primer orden y obtenemos la señal del ruido de salida. Seguramente el circuito tendrá errores en el diseño así que acepto cualquier tipo de sugerencia. Gracias de antemano.
Generador de ruido rosa
Generador de ruido rosa
Buenas tardes. Estoy tratando de diseñar un generador de ruido rosa en eagle y aparecen 12 warnings y 0 errores. Estoy tratando de solucionar todos esos warnings pero no sé cómo, a ver si me podeis ayudar, soy principiante en esto
Os explico brevemente en qué consiste el circuito que estoy tratando de diseñar: se alimenta el circuito y mediante un interruptor dejamos pasar la corriente o no. El diodo zener genera ruido y se amplifica con los dos amplificadores operaciones IC1A y IC2A. Mediante una resistencia variable regulamos la señal de salida. Esta señal pasa por un filtro paso alto de primer orden y obtenemos la señal del ruido de salida. Seguramente el circuito tendrá errores en el diseño así que acepto cualquier tipo de sugerencia. Gracias de antemano.
Os explico brevemente en qué consiste el circuito que estoy tratando de diseñar: se alimenta el circuito y mediante un interruptor dejamos pasar la corriente o no. El diodo zener genera ruido y se amplifica con los dos amplificadores operaciones IC1A y IC2A. Mediante una resistencia variable regulamos la señal de salida. Esta señal pasa por un filtro paso alto de primer orden y obtenemos la señal del ruido de salida. Seguramente el circuito tendrá errores en el diseño así que acepto cualquier tipo de sugerencia. Gracias de antemano.
Tags:
-
Naguissa
- Administrador del Sitio
- Mensajes: 561
- Registrado: 04 Jul 2016, 11:17
- Agradecido: 126 veces
- Agradecimiento recibido: 142 veces
Re: Generador de ruido rosa
Por un lado el hecho de que dé Warnngs no es un problema, son eso, simplemente avisos.
Por otro lado, en X2-2 tienes 5V pero, ¿qué hay en X2-1? No hay nada rotulado, aunque puede ser una entrada o un -5V (creo que GND no, aunque no recuerdo bien).
Mi consejo, haz el circuito en protoboard. Si funciona, revisa el Eagle y, si está OK, haz una tirada de prueba (1 o pocas PCBs).
Por otro lado, en X2-2 tienes 5V pero, ¿qué hay en X2-1? No hay nada rotulado, aunque puede ser una entrada o un -5V (creo que GND no, aunque no recuerdo bien).
Mi consejo, haz el circuito en protoboard. Si funciona, revisa el Eagle y, si está OK, haz una tirada de prueba (1 o pocas PCBs).
Re: Generador de ruido rosa
Muchas gracias por el comentario. Probaré lo que dices. Tambien he pensado en probarlo en Orcad.
-
Naguissa
- Administrador del Sitio
- Mensajes: 561
- Registrado: 04 Jul 2016, 11:17
- Agradecido: 126 veces
- Agradecimiento recibido: 142 veces
Re: Generador de ruido rosa
Por cierto, lo de los warnings lo vi en el videotutorial que ha enlazado Polux en este post: /pcbs-f19/cursos-videotutoriales-t32.html
-
- Similar Topics
- Respuestas
- Vistas
- Último mensaje
-
- 1 Respuestas
- 8507 Vistas
-
Último mensaje por Naguissa
-
- 1 Respuestas
- 6759 Vistas
-
Último mensaje por Naguissa
-
- 0 Respuestas
- 10180 Vistas
-
Último mensaje por Naguissa
